CSB塑料韦德网站-(中国)有限责任韦德网站产品
banner
banner
banner
CSB塑料韦德网站-(中国)有限责任韦德网站产品05
CSB塑料韦德网站-(中国)有限责任韦德网站产品04
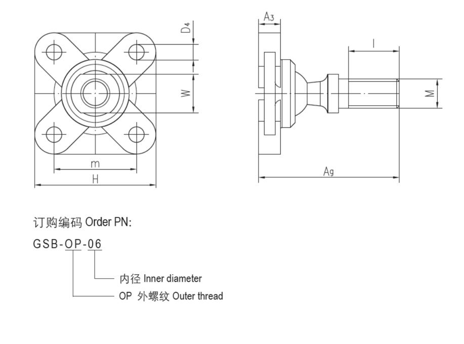
GSB-OP法兰关节韦德网站-(中国)有限责任韦德网站

产品特性

● 基座采用高强度和尺寸稳定性材料M163制成;
● 连接销采用镀锌钢,可选304不锈钢;
● 免维护和耐腐蚀;
● 易连接和安装;
● 直接装配并节约安装空间;


GSB-OP法兰关节韦德网站-(中国)有限责任韦德网站
结构图片

GSB-OP法兰关节韦德网站-(中国)有限责任韦德网站承载能力

产品编码

最大静态轴向负荷
最大静态径向负荷
重量
短期 [N]
长期  [N]
短期 [N]
长期  [N]
[g]
GSB-OP-06
3501751507510.6
GSB-OP-0875037525012523.1
GSB-OP-1012006001407041.2
GSB方法兰关节韦德网站-(中国)有限责任韦德网站
GSB方法兰关节韦德网站-(中国)有限责任韦德网站

球体采用高耐磨材料EPB15制成 保持器采用抗压和尺寸稳定性材料M163制成 干运行、免维护 抵抗灰尘和污垢 补偿中心误差 耐腐蚀,可用于液体介质环境 重量轻、易安装

更多

CSB®GSB-OP法兰关节韦德网站-(中国)有限责任韦德网站

文件类型 PDF文件
文件大小 463KB
出版时间 09-2021
出版序号 CSB/CAT.062E
立即下载

1213 次

400-6633-096

新品资讯

客户服务

快速定制服务

CSB®更多产品
GLB塑料角支韦德网站-(中国)有限责任韦德网站
GLB塑料角支韦德网站-(中国)有限责任韦德网站

保持器采用高强度工程塑料CSB®M163制成
内部安装CSB®EPB15材料制成的BAL标准自润滑球体
免维护、自润滑;
适合重载低速运动

更多
GOB杆端关节韦德网站-(中国)有限责任韦德网站
GOB杆端关节韦德网站-(中国)有限责任韦德网站

球体采用高耐磨材料EPB15制成 连接器采用高强度和尺寸稳定性材料M163制成 自润滑、免维护 光面设计耐灰尘 很好的耐腐蚀性能 补偿心中误差 无噪音、重量轻

更多
GIB杆端关节韦德网站-(中国)有限责任韦德网站
GIB杆端关节韦德网站-(中国)有限责任韦德网站

球体采用高耐磨材料EPB15制成 连接器采用高强度和尺寸稳定性材料M163制成 自润滑、免维护 光面设计耐灰尘 很好的耐腐蚀性能 补偿心中误差

更多
GFB法兰关节韦德网站-(中国)有限责任韦德网站
GFB法兰关节韦德网站-(中国)有限责任韦德网站

球体采用高耐磨材料EPB15制成 保持器采用抗压和尺寸稳定性材料M163制成 干运行、免维护 抵抗灰尘和污垢 补偿中心误差 耐腐蚀,可用于液体介质环境 重量轻、易安装

更多
GSB方法兰关节韦德网站-(中国)有限责任韦德网站
GSB方法兰关节韦德网站-(中国)有限责任韦德网站

球体采用高耐磨材料EPB15制成 保持器采用抗压和尺寸稳定性材料M163制成 干运行、免维护 抵抗灰尘和污垢 补偿中心误差 耐腐蚀,可用于液体介质环境 重量轻、易安装

更多
GBB基座关节韦德网站-(中国)有限责任韦德网站
GBB基座关节韦德网站-(中国)有限责任韦德网站

球体采用高耐磨材料EPB15制成 保持器采用抗压和尺寸稳定性材料M163制成 干运行、免维护 补偿中心误差 高径向载荷并能承受边缘载荷 耐化学液体腐蚀 重量轻.

更多
GNB基座关节韦德网站-(中国)有限责任韦德网站
GNB基座关节韦德网站-(中国)有限责任韦德网站

球体采用高耐磨材料EPB15制成,基座可选硬质铝合金或高强度塑料M163, 干运行、免维护 补偿中心误差 高径向载荷并能承受边缘载荷 重量轻、节约空间、易安装

更多
GDB双杆端关节韦德网站-(中国)有限责任韦德网站
GDB双杆端关节韦德网站-(中国)有限责任韦德网站

球体采用高耐磨材料EPB15制成 连接器采用高强度和尺寸稳定性材料M163制成 自润滑、免维护 耐腐蚀,可用于液体介质环境 无噪音运行和不导电 可连接两个

更多
GVCE双杆端关节韦德网站-(中国)有限责任韦德网站
GVCE双杆端关节韦德网站-(中国)有限责任韦德网站

球体采用高耐磨材料EPB15制成 保持器采用高强度和尺寸稳定性材料M163制成 连接器采用高强度铝合金 自润滑、免维护 无噪音和易安装 韦德网站-(中国)有限责任韦德网站相对角度可调节 中心距根据需求

更多
GSB-IP法兰关节韦德网站-(中国)有限责任韦德网站
GSB-IP法兰关节韦德网站-(中国)有限责任韦德网站

基座采用高强度和尺寸稳定性材料M163制成 连接销采用镀锌钢,可选304不锈钢 免维护和耐腐蚀 易连接和安装 直接装配并节约安装空间

更多
GTB止推关节韦德网站-(中国)有限责任韦德网站
GTB止推关节韦德网站-(中国)有限责任韦德网站

多种耐磨球体材料选择:M80, M81, EPB13 基座材料硬质镁铝合金 自润滑、免维护 易安装 补偿中心误差 消除边缘载荷 小安装空间实现较好的耐磨性能

更多
GLBF法兰角支韦德网站-(中国)有限责任韦德网站
GLBF法兰角支韦德网站-(中国)有限责任韦德网站

GLBF法兰角支韦德网站-(中国)有限责任韦德网站免维护耐腐蚀,压配合安装,外径特殊设计可调节安装公差±0.2mm...

更多