CSB塑料韦德网站-(中国)有限责任韦德网站产品
banner
banner
banner
CSB塑料韦德网站-(中国)有限责任韦德网站产品05
CSB塑料韦德网站-(中国)有限责任韦德网站产品04
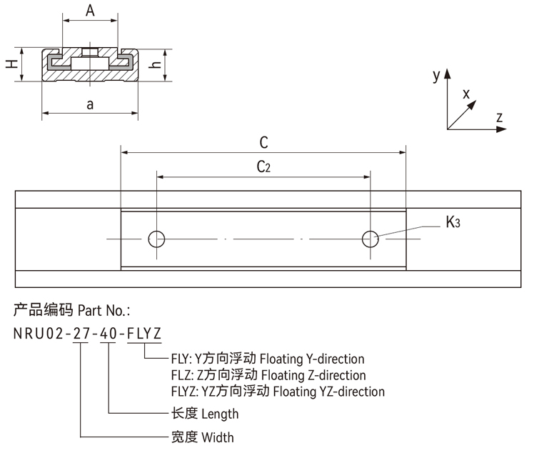
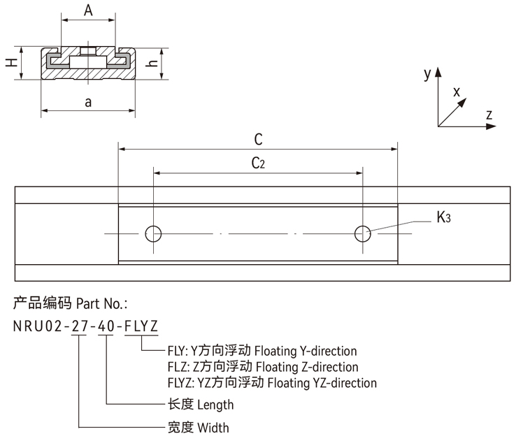
NRU02加长型导轨滑块

产品特性

● 标准耐磨材料EPB13制成,可选材料MN2,MN80;
● 多种选择:标准和浮动式设计;
● 极小重量和无噪音运行;
● 自润滑、免维护;
● 配合导轨NR01-27和NR01-40;
● 最大载荷为500N和700N;


NRU02加长型导轨滑块
结构图片

FYZ.jpg

浮动式滑块版本

产品编码

NRU01-17NRU01-27NRU02-27NRU03-27NRU02-40NRU03-40
 [mm]
 [mm]
 [mm]
 [mm]
 [mm]
 [mm]
FY
0.60.450.450.450.40.4
FZ
0.50.80.80.80.80.8


FYZ

Y=0.6Y=0.3Y=0.3Y=0.3Y=0.4Y=0.4
Z=0.5Z=0.4Z=0.4Z=0.4Z=0.8Z=0.8


NR微型直线导轨

文件类型 PDF文件
文件大小 178KB
出版时间 03-2020
出版序号 CSB/CAT.052
立即下载

1754 次

400-6633-096

新品资讯

客户服务

快速定制服务

CSB®更多产品
NR01微型直线导轨
NR01微型直线导轨

● 很小安装高度6-12mm;
● 轻量级;
● 较多的滑块选项 - 也有预张力;

更多
NRU01导轨滑块
NRU01导轨滑块

● 标准耐磨材料EPB13制成;
● 多种选择:标准和带预紧设计;
● 极小重量和无噪音运行;
● 配合导轨NR01-17和NR01-27;

更多
NRU03导轨滑块
NRU03导轨滑块

● 标准耐磨材料EPB13制成;
● 多种选择:标准和浮动式设计;
● 极小重量和无噪音运行;
● 配合导轨NR01-27和NR01-40;

更多