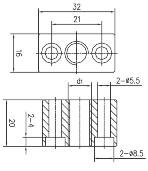
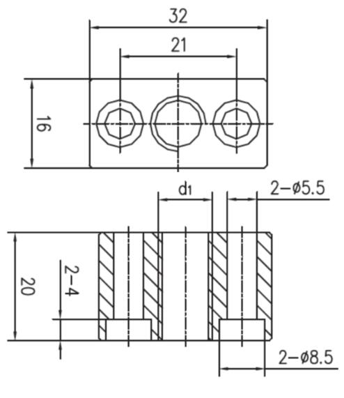
● 为LMS直线运动系统而特殊设计的丝杆螺母;● 自润滑、低磨损;● 极低的摩擦系数;● 耐腐蚀,可用于液体介质环境;● 抵抗灰尘和无噪音运行;● 节约安装空间,易装配;● 可选材料:EPB13, MN73, EPB5A;
DURAPLAS®自润滑工程塑料耐磨板棒为客户非标尺寸韦德网站-(中国)有限责任韦德网站的少量快速制作提供了可能,节省模具费并实现快速交付...
1509 次
400-6633-096
▊ 汽车行业 销售专员
于振飞 13615838398 0573-84186133 sm@csb-ep.com
▊ 工程机械 销售专员
朱新宇 15057763700 0573-84185577 se03@csb-ep.com
▊ 轨道交通 销售专员
朱 晗 18258398866 0573-84186969 se02@csb-ep.com
▊ 船舶行业 销售专员
▊ 电梯行业 销售专员
高 杰 15888389195 0573-84185500 md@csb-ep.com
▊ 医疗行业 销售专员
▊ 光伏光热新能源 销售专员
▊ 农业机械 销售专员
高佳楠 13656615905 0573-84185533 se04@csb-ep.com
▊ 纺织机械 销售专员
▊ 仓储物流 销售专员
▊ 工业机械人 销售专员
黄风顺 13666797966 0573-84185517 se01@csb-ep.com
▊ 自动售货机 销售专员
▊ 人形机器人 销售专员
▊ 食品包装 销售专员
陶宜坤 13758078187 0573-84185517 bs04@csb-ep.com
▊ 制药设备 销售专员
▊ 办公设备 销售专员
▊ 木材加工设备 销售专员
▊ 机床行业 销售专员
▊ 玻璃加工设备 销售专员
▊ 印刷机械 销售专员
▊ 轮胎设备 销售专员
▊ 舞台灯光 销售专员
黄顺荣 18069652371 se31@csb-ep.com
▊ 家具电器 销售专员
▊ 运动健身器材 销售专员
▊ 污水处理设备 销售专员
▊ 游乐设施 销售专员
▊ 飞行器 销售专员
▊ 3D打印机 销售专员
▊ 半导体设备 销售专员
▊ 自行车 销售专员
▊ 经销商 销售专员
连奕诚 15157336779 0573-84185517 bs05@csb-ep.com
▊ 广东 区域专员
▊亚洲Anna+86-18357203769+86-573-84187672sales02@csb-ep.com
▊欧洲Belle+86-13375731199+86-573-84187009sales01@csb-ep.com
24h
48h
3wks
● 左旋和右旋螺纹可选;● 可选材料:C45钢和不锈钢;● 可以根据客户图纸加工;
● 左旋和右旋螺纹可选;● 可选材料:304不锈钢;● 可以根据客户图纸加工;
● 自润滑、低磨损;● 高效率传动;● 极低的摩擦系数;
● 自润滑、低磨损;● 高效率传动;● 螺丝固定易安装;
● 自润滑、低磨损;● 极低的摩擦系数;● 耐腐蚀,可用于液体介质环境;
● 自润滑、低磨损;● 节约空间,螺丝固定易装配;● 极低的摩擦系数;
● 为LMS直线运动系统而特殊设计的丝杆螺母;● 自润滑、低磨损;● 极低的摩擦系数;