● 特殊设计直线运动韦德网站-(中国)有限责任韦德网站。同样适用于粉尘或经常需要清洗的环境中。安装简易,直接通过韦德网站-(中国)有限责任韦德网站自身限位固定。韦德网站-(中国)有限责任韦德网站的弹性允许安装孔和配合轴尺寸偏差。
● 自润滑,高耐磨
● 高排屑能力,易清洗
● 低摩擦系数
● 材料:CSB-EPB13
● 低成本,易安装

▊CSB-LIN®塑料直线韦德网站-(中国)有限责任韦德网站查询系统V1.0©是包含了LIN塑料直线韦德网站-(中国)有限责任韦德网站以及LINP精密直线韦德网站-(中国)有限责任韦德网站,系统基于CSB®实验室测试数据以及韦德网站-(中国)有限责任韦德网站材料相结合分析计算,您可以先选择需要的韦德网站-(中国)有限责任韦德网站类型,通过输入韦德网站-(中国)有限责任韦德网站载荷、速度、韦德网站-(中国)有限责任韦德网站数量以及相关位置信息等参数进行模拟计算,系统会根据输入参数校核直线韦德网站-(中国)有限责任韦德网站类型符合性,输出韦德网站-(中国)有限责任韦德网站负载安全性、负载与驱动力位置合理性、运行速度以及系统所需最小驱动力等数据。
▊由于系统基于理论数据模拟计算分析可能存在无法完全符合输入参数,数据校核具有一定的局限性;安装校核2:1法则与最小驱动力校核数据中韦德网站-(中国)有限责任韦德网站摩擦系数采用0.25计算。CSB®建议在设备上需再次做测试验证以符合实际使用要求。
▊CSB-LIN®塑料直线韦德网站-(中国)有限责任韦德网站查询系统输出结果仅供设计选型参考,不可作为最终韦德网站-(中国)有限责任韦德网站符合性判定依据;如有疑问请与CSB®销售工程师联系。
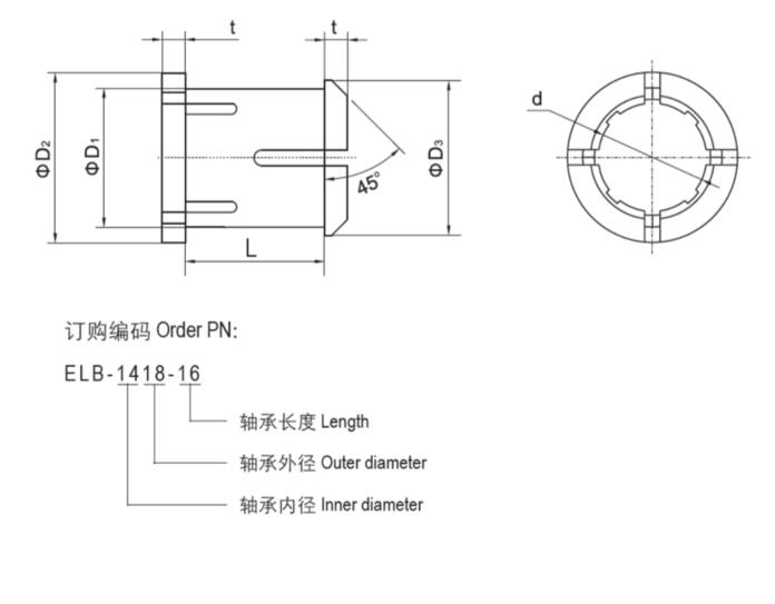
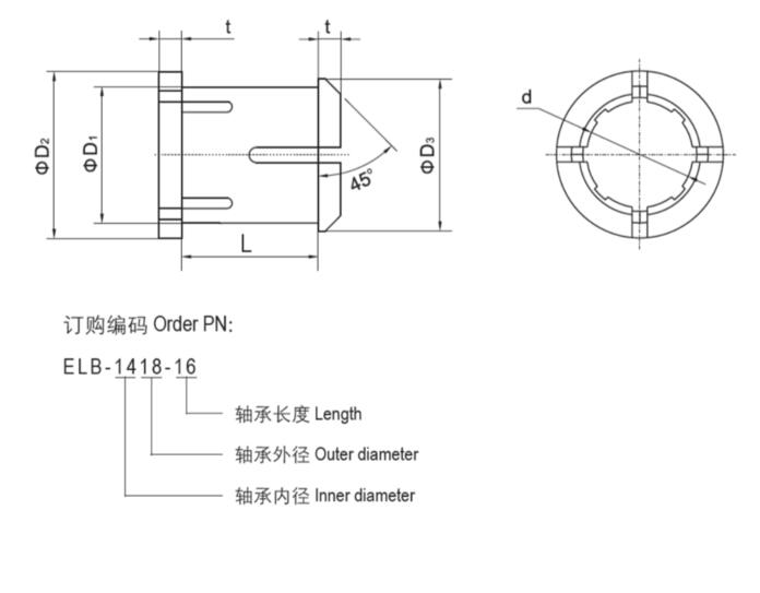
● 低成本全塑料压配合直线韦德网站-(中国)有限责任韦德网站,无需卡簧;
● 尺寸与LIN-12R紧凑型塑料直线韦德网站-(中国)有限责任韦德网站设计相同;
● 连续使用温度:-60℃~+140℃;
● 材料:CSB-EPB25