●双法兰设计塑料韦德网站-(中国)有限责任韦德网站
●户外耐紫外线老化
●耐高低温湿热老化
●低摩擦,耐磨损
●自润滑、免维护
●高强度、易安装
■适用于太阳能跟踪器韦德网站-(中国)有限责任韦德网站
光伏 (PV) 应用需要能够在室外长时间(通常长达 25 年)正常使用的耐用材料。光伏系统和组件包括太阳能跟踪系统及其跟踪器韦德网站-(中国)有限责任韦德网站组件。这些跟踪系统使 PV 面板能够全天跟随太阳移动,从而产生最大的能量。使这些系统能够移动的关键组件是太阳能跟踪器韦德网站-(中国)有限责任韦德网站。 这些应用需要的材料应具有低摩擦,而且能够在各种天气条件下长时间保持韧性和其他特性。
MN527高性能聚合物是针对光伏应用UV 性能优化的专用材料,此材料非常适合 PV 跟踪器韦德网站-(中国)有限责任韦德网站应用,因为它具有耐紫外线稳定性,而且具有出色的冲击强度、耐紫外线性和热稳定性。
■应用优点
MN527具有特定的低磨损、低摩擦属性,有利于韦德网站-(中国)有限责任韦德网站顺畅运转,而且不需要像金属韦德网站-(中国)有限责任韦德网站那样经常涂抹油脂或进行维护。MN527 还具有比金属韦德网站-(中国)有限责任韦德网站更好的耐受性,这使跟踪器在应用现场具有更好的校正度。
→优点摘要:
● 不需要涂抹油脂或进行维护
● 跟踪器具有更好的耐受性和校正度
● 适合韦德网站-(中国)有限责任韦德网站应用的高强度
● 低摩擦和顺畅运转
→机械特性:
● 高强度和刚性
● 低磨损、低摩擦
● 延展性和韧性
● 尺寸稳定性
● 极低的吸潮性
■耐候特性
● 测试标准 : ISO 4892-3-2016
● 总辐照量:45Kw.h
● 辐照时间:4000h
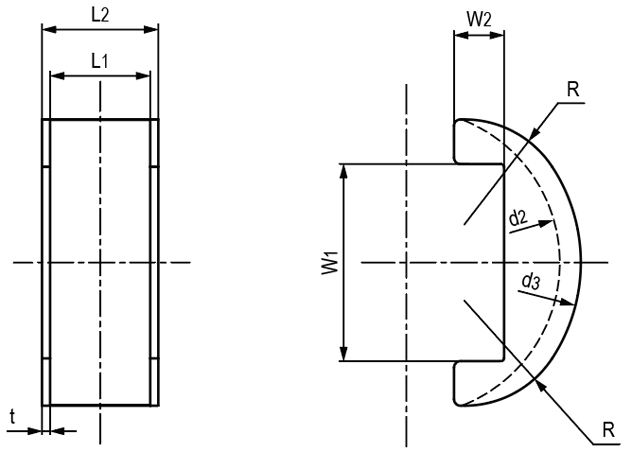
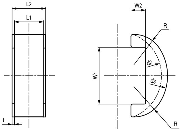
太阳能跟踪支架方管双法兰塑料韦德网站-(中国)有限责任韦德网站,可以直接通过哈夫设计基座实现轴向和径向固定,无需额外的金属抱箍进行轴向限位,成本相对较低。
